ITEMS取扱商品

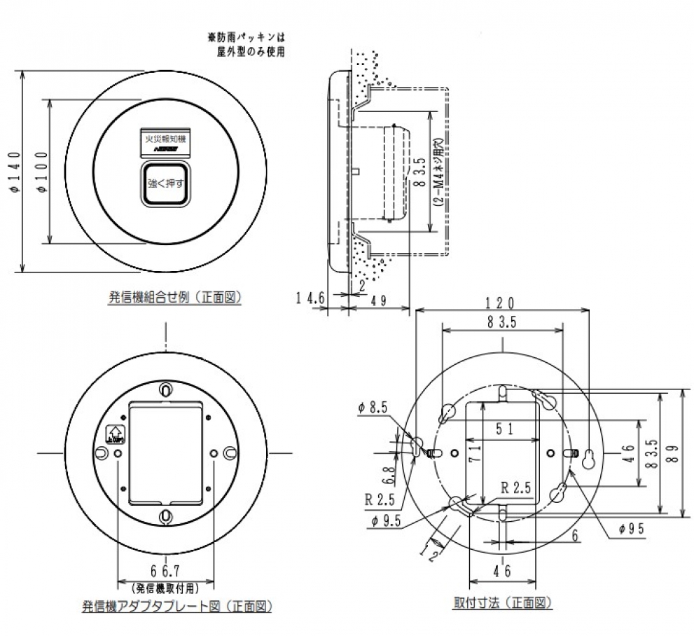
発信機用補用部品 アダプタプレート(屋内) ZBMJ002-U

メーカー名能美防災(株)
商品コード12532
寸法Φ140
定価¥1,320-

数量


商品名発信機用補用部品 アダプタプレート(屋内)
商品型番ZBMJ002-U

関連商品